YL型凸緣聯軸器
產品分類: 剛性聯軸器
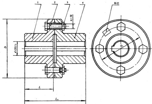
凸緣聯軸器(亦稱法蘭聯軸器)是利用螺栓聯接兩凸緣(法蘭)盤式半聯軸器,兩個半聯軸器分別用鍵與兩軸聯接,以實現兩軸聯接,傳遞轉矩和運動。
訂購熱線:15326245655
立即咨詢產品詳情
產 品 說 明
YL型-凸緣聯軸器 (GB/T 5843-86)
●凸緣聯軸器(亦稱法蘭聯軸器)是利用螺栓聯接兩凸緣(法蘭)盤式半聯軸器,兩個半聯軸器分別用鍵與兩軸聯接,以實現兩軸聯接,傳遞轉矩和運動。
●凸緣聯軸器結構簡單,制造方便,成本較低,工作可靠,裝拆、維護均較簡便,傳遞轉矩較大,能保證兩軸具有較高的對中精度,一般常用于載荷平穩,高速或傳動精度要求較高的軸系傳動。
● 凸緣聯軸器不具備徑向、軸向和角向補償性能,使用時如果不能保證被聯接兩軸對中精度,將會降低聯軸器的使用壽命、傳動精度和傳動頻率,并引起振動和噪聲。

|
型號
|
公稱扭矩 Tn(N·m) |
許用轉速[n]r/min
|
軸孔直徑d(H7)
|
軸孔長度L |
D
|
D1
|
螺栓
|
L0
|
轉動慣量 (kg.m2) |
重量 (kg.m³) |
|||||
|
Y型
|
J1型
|
數量 n |
直徑M
|
||||||||||||
|
鐵
|
鋼
|
鐵
|
鋼
|
Y型 | J1型 | ||||||||||
|
YL1 YLD1
|
10
|
8100
|
13000
|
10
11 |
10
11 |
25
|
22
|
71
|
53
|
3(3)
|
M6
|
54
|
48
|
0.0018
|
0.94
|
|
12
14 |
12
14 |
32
|
27
|
68
|
58
|
||||||||||
|
16
18 19 |
16
18 19 |
42
|
30
|
88
|
64
|
||||||||||
|
20
- |
20
22 |
52
|
38
|
108
|
80
|
||||||||||
|
YL2 YLD2
|
16
|
7200
|
12000
|
12
14 |
12
14 |
32
|
27
|
80
|
64
|
4(4)
|
M6
|
68
|
58
|
0.0035
|
1.50
|
|
16
18 19 |
16
18 19 |
42
|
30
|
88
|
64
|
||||||||||
|
20
22 |
20
22 |
52
|
38
|
108
|
80
|
||||||||||
|
YL3 YLD3
|
25
|
6400
|
10000
|
14
|
14
|
32
|
27
|
90
|
69
|
3(3)
|
M8
|
68
|
58
|
0.0060
|
1.99
|
|
16
18 19 |
16
18 19 |
42
|
30
|
||||||||||||
|
88
|
64
|
||||||||||||||
|
20
22- |
20
22 24 |
52
|
38
|
108
|
80
|
||||||||||
|
128
|
92
|
||||||||||||||
|
YL4 YLD4
|
40
|
5700
|
9500
|
18
19 |
18
19 |
42
|
30
|
100
|
80
|
3(3)
|
M8
|
88
|
64
|
0.0093
|
2.47
|
|
20
22 24 |
20
22 24 |
52
|
38
|
108
|
80
|
||||||||||
|
25
- |
25
28 |
62
|
44
|
128
|
92
|
||||||||||
|
YL5 YLD5
|
63
|
5500
|
9000
|
22
24 |
22
24 |
52
|
38
|
105
|
85
|
4(4)
|
M8
|
108
|
80
|
0.013
|
3.19
|
|
25
28 |
25
28 |
62
|
44
|
128
|
92
|
||||||||||
|
30
- |
30
32 |
82
|
60
|
168
|
124
|
||||||||||
|
YL6 YLD6
|
100
|
5200
|
8000
|
24
|
24
|
52
|
38
|
110
|
90
|
4(4)
|
M8
|
108
|
80
|
0.017
|
3.99
|
|
25
28 |
25
28 |
62
|
44
|
128
|
92
|
||||||||||
|
30
32 - |
30
32 35 |
82
|
60
|
168
|
124
|
||||||||||
|
YL7 YLD7
|
160
|
4800
|
7600
|
28
|
28
|
62
|
44
|
120
|
95
|
4(3)
|
M10
|
128
|
92
|
0.029
|
5.66
|
|
30
32 35 38 |
30
32 35 38 |
82
|
60
|
168
|
124
|
||||||||||
|
-
|
40
|
112
|
84
|
228
|
172
|
||||||||||
|
YL8 YLD8
|
250
|
4300
|
7000
|
32 35 38
|
32
35 38 |
82
|
60
|
130
|
105
|
4(3)
|
M10
|
169
|
125
|
0.043
|
7.29
|
|
40 42
- |
40 |
112
|
84
|
229
|
173
|
6.53 | |||||||||
|
YL9 YLD9
|
630
|
4100
|
6800
|
38
|
38
|
82
|
60
|
140
|
115
|
6(3)
|
M10
|
169
|
125
|
0.064
|
9.53
|
|
112
|
84
|
229
|
173
|
||||||||||||
|
40 42 45 48
- |
40
42 45 48 50 |
||||||||||||||
|
YL10 YLD10
|
630
|
3600
|
6000
|
45 48 50 55
- |
45
48 50 55 56 |
160
|
130
|
6(4)
|
M12
|
0.112
|
12.46
|
||||
|
-
|
60
|
142
|
107
|
289
|
219
|
||||||||||
|
YL11 YLD11
|
1000
|
3200
|
5300
|
50 55 56
|
50
55 56 |
112
|
84
|
180
|
150
|
8(4)
|
M12
|
229
|
173
|
0.205
|
17.97
|
|
60 63 65
- |
60
63 65 70 |
142
|
107
|
289
|
219
|
||||||||||
|
YL12 YLD12
|
1600
|
2900
|
4700
|
60 63 65 70 71 75
|
60
63 65 70 71 75 |
200
|
170
|
12(6)
|
M12
|
0.443
|
30.62
|
||||
|
-
|
80
|
52
|
38
|
349
|
269
|
0.463
|
29.52
|
||||||||
|
YL13 YLD13
|
2500
|
2600
|
4300
|
70 71 75
|
70
71 75 |
142
|
107
|
220
|
185
|
8(6)
|
M16
|
289
|
219
|
0.646
|
35.58
|
|
80 85
- |
80
85 90 |
172
|
132
|
349
|
269
|
||||||||||
|
YL14 YLD14
|
4000
|
2300
|
4800
|
80 85 90 95
|
80
85 90 95 |
172
|
132
|
250
|
215
|
12(8)
|
M16
|
350
|
270
|
1.353
|
57.13
|
|
100
- |
100 110
|
212
|
167
|
430
|
340
|
||||||||||
|
YL15 YLD15
|
6300
|
2000
|
3400
|
-
- |
90
95 |
172
|
132
|
290
|
250
|
12(6)
|
M20
|
350
|
270
|
2.854
|
89.59
|
|
100 110 120
- |
100 110 120 125
|
212
|
167
|
430
|
340
|
||||||||||
|
YL16 YLD16
|
10000
|
1800
|
3000
|
-
- 120 125 |
100 110 120 125
|
340
|
290
|
12(6)
|
M24
|
5.271
|
119.57
|
||||
|
130
- |
130 140
|
252
|
202
|
510
|
410
|
||||||||||
|
YL17 YLD17
|
14000
|
1600
|
2600
|
-
- |
120 125
|
212
|
167
|
380
|
330
|
12(6)
|
M24
|
430
|
340
|
9.139
|
171.71
|
|
130 140 150
|
130 140 150
|
252
|
202
|
510
|
410
|
||||||||||
|
-
|
160
|
302
|
242
|
610
|
490
|
||||||||||
|
YL18 YLD18
|
20000
|
1400
|
2300
|
-
- |
140 150
|
252
|
202
|
420
|
360
|
12(6)
|
M30
|
510
|
410
|
(17.883)
|
(263.5)
|
|
-
- - |
160 170 180
|
302
|
242
|
610
|
490
|
||||||||||
推薦產品
-
YLD型凸緣聯軸器
凸緣聯軸器(亦稱法蘭聯軸器)是利用螺栓聯接兩凸緣(法蘭) -
GL型滾子鏈聯軸器
曲面齒鏈輪聯軸器,鏈條聯軸器,GL型滾子鏈聯軸器,GL型滾子鏈連軸 -
LM(ML)系列梅花形彈性聯軸器
梅花形彈性聯軸器具有以下特點:花形彈性聯軸器結構簡單,徑向 -
GⅡCL型—鼓形齒式聯軸器
鼓形齒式聯軸器具有徑向、軸向和角向等軸線偏差補償能力,具


![[field:text/]](/uploads/allimg/131106/2-131106092I00-L.jpg)